SOTA event for old radios. (Part 2)

Continuing the discussion from SOTA event for old radios. (Part 1) - #100 by G8ADD.

Previous discussions:

1 Like

Ah yes, I forgot about Rigpix, thanks! I see the MX-2 does indeed have a CW mode switch on it. Great stuff!

Secondhand prices for some of the MX models are eye-watering on eBay at least. It looks like each MX is dedicated to a specific band so you really want the 2 if you want 2 meters I think.

Still wouldn’t buy one unless it was one of the Jim ones. I’d call it Speckled Jim, a delicious, plump-breasted, speckly 2 meter friend. Hand-reared from just a tiny transistor!

1 Like

What about a SOTA event for old operators? :grin:

I’m 75… :thinking:

8 Likes

I was going to make a joke about not wanting to overload mountain rescue services with so many oldies doing SOTA activations. But it turns out we oldies are no longer the age group needing the most rescues.

[Ordnance Survey] “In 2024, that had changed, with 18-to-24-year-olds significantly ahead of any other demographic getting into difficulties.”

[Mountain Rescue England & Wales] ““We know from incident reports that more and more people are tempted into risky locations by Instagram posts and the navigation apps being used aren’t always suitable for an outdoor environment. Add to that a tendency to follow popular routes online without knowing the hazards and context, and it’s not surprising that those likely to be relying most on their phones are the ones getting into difficulties.”

BTW: I was the most ‘overdressed’ walker ascending G/LD-027 Place Fell early this morning (hiking boots, multiple layers vs trainers & T-shirts). But maybe that’s an age thing (it was 4C in Patterdale when I started),

3 Likes

Isn’t that POTA? Pensioners On The Air? :face_with_peeking_eye: :star_struck:

EDIT: Or 80m nets… :face_with_peeking_eye:

I’m doing a SNOTA (Summits Not On The Air) ultra on Saturday morning.

I think the race covers 3 summits I won’t be activating, including both the nation’s sweetheart Great Sugar Loaf, and her sibling Little Sugar Loaf.

If anyone is about in EI doing SOTA on those summits, a cheer and some encouragement (perhaps a refrigerator, a bathtub, a pack of Carlsberg etc) would be greatly appreciated if you spot me on the race course. :blush: :ok_hand:

Seeing folks doing some 270 CW on those summits would be brilliant too! And if you are using an FT-290R or a Jim MX-2 you will have earned legend status!

5 Likes

…what does this mean?

Geoff vk3sq

Hi Geoff

BTW = By the way

73 Andrew VK1DA/VK2DA

1 Like

…thanks Andrew, learning all the time.. :grinning_face:

Geoff vk3sq

Try G/SP-004.

2 Likes

So Ive been testing and trying to repair some radios for this event (whenever it happens).

So the Two Uniden 2030s

The first one I had was modded with a 1750 tone board. Took it out and unbodged the bodgery. Tried to key up and the tx relay was slow to activate and no RF came out.

The second one does transmit a carrier but no audio.

The FT227 - Not touched it

Trio TR3200 got a mic for it but very low audio, going to leave that for a bit.

The Icom IC H16 -Got a new battery for it and it works, although no QSos on it yet.

Im nearly ready for the event, although it will be a 2 Meter only for me!

3 Likes

Nowt wrong with that! You’ve merely chosen between one of the world’s two favourite bands. The other being 70cm. :blush:

A shame none of those radios appears to do SSB or CW on 2 meters, but still, what a time all of these old radios will have when their special day arrives!

It would be great to have a day where fellow enthusiasts can all bring their old radios out of retirement and spend a day in the sun (none of this ‘shack’ cobblers , get out portable, even if it’s to the back garden or a balcony!) doing what they do best, bagging QSO’s and DX!

A vintage radios special event day would be great. Let’s organise one!

2 Likes

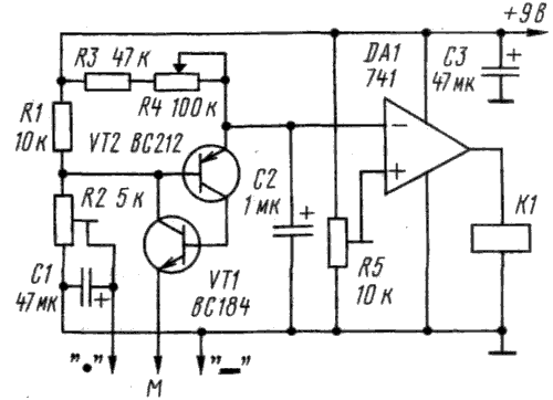
BTW, I’ve found a fairly simple electronic key solution for an old CW rig. I think (well, Internet thinks) it was originally designed by G3PVH and published back in 1998. Perhaps it shouln’t be mad difficult to built in to a FT-290 or a similar radio?

3 Likes

Nice find! Just for giggles, I ran that diagram through GPT 5 and got it to produce a modern revision of it with modern components.

I have some KiCAD-ready text files to convert to *.csv and import, export and produce a Gerber.

Space in the 290 is at a massive premium though so not sure how it would incorporate successfully to an already crammed radio. My 290 is already jammers with (probably) every known 290 mod in existence.

Coincidentally, I gave my 290 a blast of air today to give the wiring a quick dust-off. Now the lamp appears to work intermittently and it appears to have been upgraded to a bright white LED lamp. Yet another mod to add to my 290’s extensive list!

This keyer idea might have legs. Warrants investigation. If it is possible to do, I might get a PCB made up and ask if it could be fitted when the 290 goes away for an NCT (MOT) next month.

EDIT:

I managed to get the *.sch that GPT5 generated in to a viewer (see below). All bar two components are SMD, the other two are thru hole.

The dimensions would allow for me to a) hot plate solder and b) fit the board down one side of the 290 where the CTCSS board also resides. And all based on c) that GPT hasn’t produced a load of old cobblers.

2 Likes

It could make it an interesting weekend project. I never seen an FT290 in my life, no idea how good is it on CW in general, but If existing key connector can be replaced to a 6.5mm stereo jack that at least would make it quite neat. To save power / keep straight key functionality one of the switches on the back panel can be re-purposed to run a voltage to the circuit / cut it off alltogether.

Or buy a HamGadgets Pico keyer kit that has a case and 4 memories.

4 Likes

That is a great option indeed, especialy if no messing with internal original components desired.

2 Likes

I used one with my 817s for many years. It has memories, a front panel speed control and auto power off.

2 Likes

This could work?

2 Likes

It was (is) absolutely fine with sending CW. As I said in Part 1, if it weren’t for the secondhand one I used for 2m CW portable in the wilds of South Lanarkshire in the early 90’s I probably wouldn’t have passed the Morse test, got my A licence (MM0ALC), discovered the joys of QRP CW (on HF as well as on 2m), and got into SOTA in 2017. So I’m a bit nostalgic about the '290.

3 Likes

Just tested my 290R with ‘El Rey’ aka the Amazon Generic Straight Key Special. Works fine but sidetone is very crackly and no TX light appears. Another job for the list!

I quite like the 290 form factor and the little telescopic antenna. For a radio that is the best part of 45 or so years old, it appears to pack a lot of punch as an all mode 2 meter radio.

I personally don’t think it weighs a considerable amount compared to perhaps other radios made around the same time. The fact it is all-mode for 2 meters is the real draw for me personally and the 290’s crowning glory.

I do wish there were more VHF/UHF all mode radios on the market today. Missed opportunity in my opinion.

1 Like